Malaysia Convention u0026 Exhibition Directory 2019/2020 Vebuka.com - 71 jalan bandar u25
Malaysia Convention u0026 Exhibition Directory 2019/2020 Vebuka.com
An Indo-Pacific coral spawning database Scientific Data
MyeongDong Topokki on the App Store![]()
MAZDA: Investors
Cat Feliz Veterinary Clinic - We are hiring! \(u003d^_^u003d)/ Facebook
Contact Us
Santai Ceria Cafe - Home Facebook
PDF) An Unusual Cause of Acute Scrotum in a 65-Year-Old Man
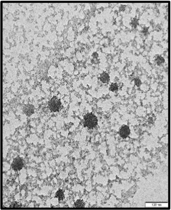
Homalomena pineodora essential oil nanoparticle inhibits diabetic 
FLUKE 8502A DIGITLA MULTIMETER Manualzz
phonerepairservice - Explore Facebook
Santai Ceria Cafe - Home Facebook